Referenzen
Zugang für eine maschinelle Anlage (Rauchgasanlage Heizkraftwerk)
- Optimierung des bauseitigen Entwurfs
- Anpassung an die Anforderungen nach EN ISO 14122-1 bis -4
- Kollisionskontrolle mit dem Anlagenmodell (externe Referenz)
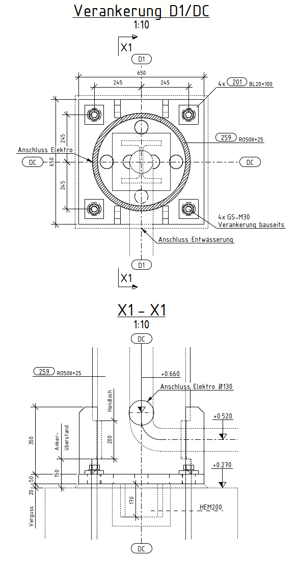
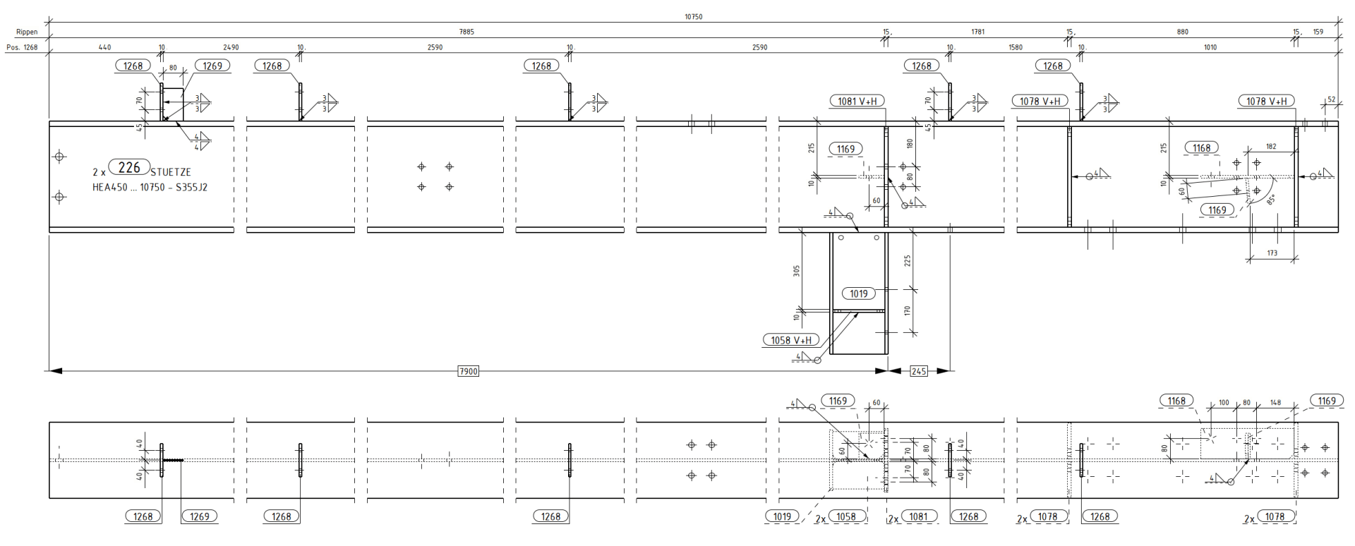
- Werkstatt- und Montageplanung des Stahlbaus (Gerüste, Treppen) und der Schlosserleistungen (Geländer, Gitterroste, Steigleiter)




















































